Drehzahlmesser
Patrick Lehn
Idee und Fernziel
Drehzahlmesser mit LED-Balken und 4-Ziffer-Display für Motorrad.
Bericht
Material
- 1x Arduino
- 1x 7-Segment Display
- 10x LEDs
- 10x Widerstände (220Ohm)
- 1x Lochplatine
- Plexiglas
Aufbau
Auf dem Foto sind 2 Arduinos zu sehen, wobei der rechte nicht direkt zum Projekt gehört. Dieser simuliert das Motorrad; heisst er kann so eingestellt werden, dass er in einem “beliebigen” Zeitabstand den PIN 4 an- und ausstellt (→ Frequenz). Dieser PIN ist mit dem PIN 2 des linken (und eigentlichen) Arduinos verbunden. Beim PIN 2 wird die gesendete Frequenz eingelesen und dann weiter verarbeitet (vgl. CODE). Das Display und die LEDs zeigt die Drehzahl pro Minute (rpm) des Motors an (bzw. vom der simulierten Frequenz des rechten Arduinos).
Für das Gehäuse aus Plexiglas wurden folgende Dateien erstellt. Im Dateinamen kann die Dicke der Teile des jeweiligen Dokuments entnommen werden. Das Gehäuse ist noch nicht ganz fertig, es fehlen noch die Löcher für die Anschlusskabel (12V, GND, Signal) des Motorrades. Diese werden noch gebohrt.
Code
In der File rpm_gauge ist relativ viel auskommentiert. Jene Code-Teile ermöglichen es, die Frequenz mittels Potentiometer und tone-Funktion zu simulieren. Der Nachteil dabei ist, das die tone-Funktion eine mindest & maximal Frequenz hat. Die mindest Frequenz lag bei ca. 30-40Hz, was für meine Ansprüche zu hoch war (da beispielsweise die 2000rpm nicht unterschritten werden konnten). Daher wurde ein einfacher und kurzer CODE für einen zweiten Arduino geschrieben (freq_sim). Dieser erlaubt nun, dass der volle rpm-Bereich ausgetestet werden kann (allerdings muss man bei delay-Funktion die Zeitwerte immer wieder manuel anpassen).
Libraries:
- TM1637Display.h: https://github.com/avishorp/TM1637/blob/master/TM1637Display.h
Fazit
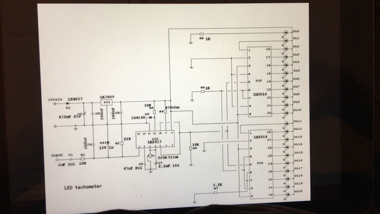
Der Drehzahlmesser funktioniert, samt Display und LED-Balken. Eine kunst wird es noch sein, das ganze vibrationssicher zu verbauen. Der Drehzahlmesser kann allerdings noch nicht direkt mit dem Motorrad verbunden werden. Die 12V von der Batterie und die GND-Leitung stellen kein Problem dar, dafür allerdings der Signaleingang. Man müsste diesen durch eine Vorschaltung (bestehend aus Zenerdiode, “Schockleitung”) auf 5V begrenzen. Für besseres Verständnis folgt hier noch ein Schaltplan eines normalen digitalen Drehzahlmesser.


